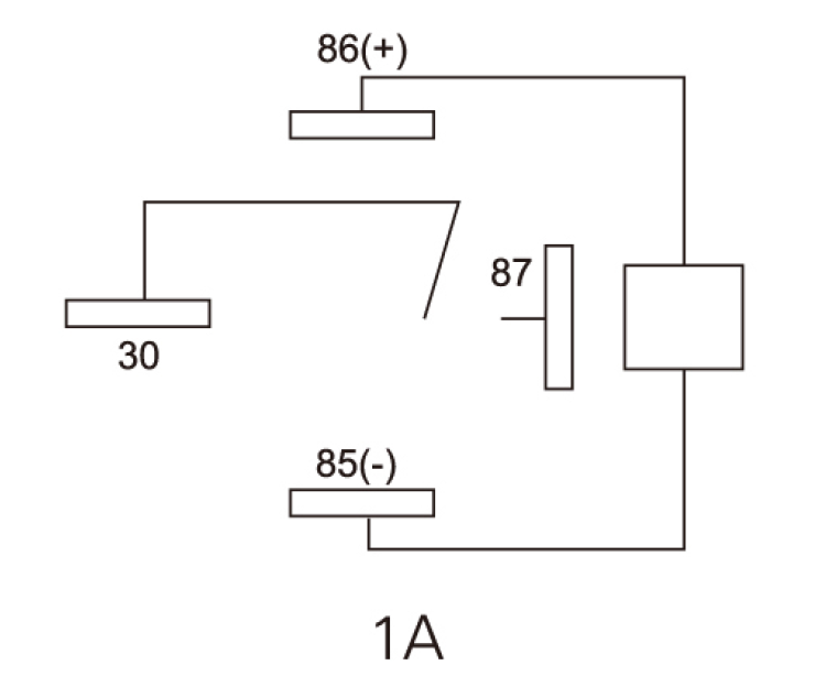
| 觸點形式 | 1A, 1C |
| 觸點材料 | AgSno2 |
| 最大額定切換電流 | 70A |
| 最大切換電壓 | 27VDC |
| 額定負載(阻性) | 70A 13.5VDC 40A 27VDC |
| 絕緣電阻 | 100MΩ |
| 介質耐壓(線圈觸點間) | 500VAC/M |
| 環境溫度 | -40°C~+85°C |
| 動作時間 | 10ms/10ms |
| 機械壽命(min) | 1 X106 |
| 電氣壽命 (min) | 1 X105 |
| 引出端形式 | Terminal |
| 標準型 | 額定電壓 | 動作電壓 | 釋放電壓 | 線圈電阻 | 并聯電阻 | 等效電阻 | 繼電器功耗 | 允許最大線圈電壓 | |
| 20 °C | 85 °C | ||||||||
| 12 | 8.4 | 1.2 | 90 | - | - | 1.6 | 20.2 | 15.7 | |
| 12 | 8.4 | 1.2 | 80 | 1.8 | 20.2 | 15.7 | |||
| 24 | 16.8 | 2.4 | 360 | - | - | 1.6 | 40.5 | 31.5 | |
| 24 | 16.8 | 2.4 | 320 | 1.8 | 40.5 | 31.5 | |||


注解: (1)在概述維數顯示的沒有容差的情況下: 分級顯示dimension≤1mm,容差應該是±0.2mm;
概述dimension>1mm and≤5mm,容差應該是±0.3mm; 概述dimension>5mm,
容差應該是±0.4mm。
